車両エンジニアリングにおけるシステム技術
トラック、トレーラー、ピックアップトラックなどに最適な制御システムのプラットフォームを検討することはないですか? E-T-Aは最適な配電、過電流や短絡から負荷を保護するソリューションをご提案します。
システム技術のスペシャリストとして、システム一式はもちろん、部品単体のみなど、ご要望に応じて柔軟かつ効果的なご提案をいたします。
当社では以下に関する車両エンジニアリングをご提供します:
- サーキットブレーカーによる負荷保護
- スマートパワーリレーによる負荷保護
- 配電システム / 制御基板s
- セントラルコンピューティング
- CANバス接続による配電システム
- 柔軟性
- ユーザーの利便性
- リモートアクセス
- 人間工学に基づいた設計
- 高い信頼性
E-T-Aソリューションの例
-
車載バッテリー、テールリフト電力管理システム
車載バッテリー、テールリフト電力管理システム
要望:
- トレーラーの補機バッテリーの充電状態監視システム案件
- 積載状態によるテールリフト制御の解除
- 充電ケーブルおよびプラグインコネクターの過電流保護
- 定格電圧 DC 24 V
- 充電ケーブル保護の電流定格 50 A
- テールリフトの電流定格 75-300A
ソリューション:
- 防塵・防水性能IP65を確保した成型ハウジングに搭載。設置場所に応じてハウジングの形状を選択可
- 接続ケーブルは金具を介してハウジング内に引き込まれます。ブレード端子付きのバージョンもご用意しております。
- テールリフト使用中は、ケーブルとプラグの過負荷を避けるため、負荷はオフになります。
- 過負荷が検出された場合、システムはオフになり、クールダウン後にリセットされます。
- バッテリーの再充電が必要になると、音響アラームが鳴ります。
-
長距離輸送トレーラー用の配電
長距離輸送トレーラー用の配電
Request:
- Power distribution for the illumination and signal systems of a road train
- The central electric circuit of the traction engine is too weak to be able to supply all trailers. Therefore a booster box is required.
- According to the specifications of the car manufacturer, the power distribution shall comprise the connection of traction engines to truck trailers with 30 A to 12 V or 15 A to 24 V.
- Connection via customer-specific connectors.
- Resettable circuit breakers for all illumination and signalling systems.
- Integral short circuit and overcurrent protection.
- Reverse polarity protection must be ensured.
- Average life span (MTBF) > 150,000 hrs.
- Mechanical capacitance min. IEC529 (IP67).
Solution:
- The signals for rear lights, indicators left and right, reversing lamps and stop lights are boosted.
- Realisation via mechanical relays.
- Each relay is protected by a 1610 circuit breaker.
- The lid can be opened without a tool.
- Mounting on the rear of the traction engine.
- Power supply via traction engine.
- Relay activation via two custom designed 3-pole connectors from the traction engine.
- A 7-pin connector (SAE J560) serves as load output, it is connected with the trailers.
- Circuit breakers and relays are pluggable.
-
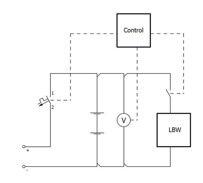
CANバス対応バッテリー遮断スイッチ
CANバス対応バッテリー遮断スイッチ
Request:
- System as a main switch function (disconnection of battery and on-board electrical system)
- Activation/control via CAN bus.
- Voltage ratings: 12VDC or 24 VDC
- Low voltage detection
- Switch-on without time delay
- Optional switch-off with adjustable time delay
Solution:
- MPR10 bistable power relay as a battery isolation switch
- CANR-300 configurable multi-functional relay as control unit.
- The power relay immediately disconnects upon detection of undervoltage. (No automatic re-start to increase safety).
- Switching condition of the power relay can be reported back via CAN bus.
- Activation can optionally be via CAN bus or via hardware switch.








